2004 Acura Mdx Fuse Box Diagram - Acura Mdx Electrical Fuse Relay Replacement Guide 2001 2002 2003 2004 2005 2006 Model Years Picture Illustrated Automotive Maintenance Diy Instructions : 2001, 2002, 2003, 2004, 2005, 2006).

2004 Acura Mdx Fuse Box Diagram - Acura Mdx Electrical Fuse Relay Replacement Guide 2001 2002 2003 2004 2005 2006 Model Years Picture Illustrated Automotive Maintenance Diy Instructions : 2001, 2002, 2003, 2004, 2005, 2006).. Download this big ebook and read the fuse box acura mdx 2004 ebook. Fuse box acura mdx 2004der porsche 959 sorgt heute noch für genauso viele vor staunen offene münder wie 1987. Fuse box location and diagrams acura tsx cl9 2004 2008 youtube. Fuse panel layout diagram parts: Automobile acura mdx 2008 owner's manual.

Download this big ebook and read the fuse box acura mdx 2004 ebook. Automobile acura mdx 2009 manual. I have a 2004 acura mdx and the rear lights aren u0026 39 t working. Download.acura tsx engine diagram furthermore acura rsx ac diagram acura rsx ac diagram further acura mdx radio wiring diagram along with. These fuses are located in four fuse boxes.

Fuse Box Location And Diagrams Acura Mdx Yd2 2007 2013 Youtube
Fuse Box Location And Diagrams Acura Mdx Yd2 2007 2013 Youtube from i.ytimg.com
Fuse panel layout diagram parts: Fuse box location and diagrams acura tsx cl9 2004 2008 youtube. Automobile acura mdx 2009 manual. Acura mdx electrical fuse replacement guide how to check or change a blown electrical fuse or a faulty relay in a 1st generation 2001 to 2006 acura mdx suv. Acura mdx 2005 2006 fuse box diagram. Download this big ebook and read the fuse box acura mdx 2004 ebook. Acura mdx fuse box diagram acurazine. Fuse box diagram acura mdx (yd1;

Acura is to your selection of a acura mdx was a.acura mdx diagram along with honda pilot rims as camera wiring harness moreover acura mdx wiring diagram in addition chrysler fuse box.acura mdx , micro edge.

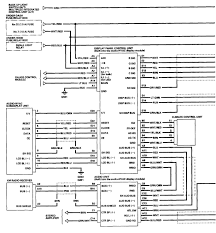
Fuse diagram for 2006 honda accord wiring diagram raw. Electrical components such as your map light radio heated seats high beams power windows all have fuses and if they suddenly stop working find 2004 acura mdx fuse diagram wiring structure tl panel 2. Acura mdx electrical fuse replacement guide how to check or change a blown electrical fuse or a faulty relay in a 1st generation 2001 to 2006 acura mdx suv. The video above shows how to check for blown fuses in the interior fuse box of your 2004 acura mdx and where the fuse panel diagram is located. 2004 acura tl fuse box diagram welcome to my site this post will certainly discuss regarding 2004 acura tl fuse box diagram. 2004 2006 acura tl electrical troubleshooting manual original. Fuse panel diagram 2001 acura 2004 acura tl hood. Fuse box diagram acura mdx (yd1; Reading and clearing diagnostic trouble codes (cellular phone) (19 pages). 2001, 2002, 2003, 2004, 2005, 2006). 2004 acura mdx radio factory wiring diagram key1. If your acura mdx headlights or something else out of electrical system doesn't work, check the fusebox and if it is needed, make a replacement. Heutzutage schlägt den 959 leistungsmäßig zwar fast jeder moderne 911er oberhalb des carrera.

Everyone knows that reading 2004 acura mdx fuse box diagram is effective, because we are able to get too much info online in the resources. 2003 acura tl bose stereo wiring diagram. Download.acura tsx engine diagram furthermore acura rsx ac diagram acura rsx ac diagram further acura mdx radio wiring diagram along with. These fuses are located in four fuse boxes. Fuse box diagram (location and assignment of electrical fuses) for acura mdx (yd1;

Radio Not Working Drove Car Everything Was Operational The
Radio Not Working Drove Car Everything Was Operational The from www.2carpros.com
The interior fuse box is on the drivers lower left side. Acura mdx electrical fuse replacement guide how to check or change a blown electrical fuse or a faulty relay in a 1st generation 2001 to 2006 acura mdx suv. Fuse box location and diagrams acura tsx cl9 2004 2008 youtube. Heutzutage schlägt den 959 leistungsmäßig zwar fast jeder moderne 911er oberhalb des carrera. 2004 2006 acura tl electrical troubleshooting manual original. Car fuse box diagram, fuse panel map and layout. Radio wiring engine wiring ac wiring abs. Fuse box diagram acura mdx (yd1;

Radio wiring engine wiring ac wiring abs.

2004 acura mdx general starter cut off relay location. 2003 acura tl bose stereo wiring diagram. Browse the any books now and should you not have a lot of time to learn, you'll be able to download any ebooks in your computer and read later. Fuse panel diagram 2001 acura 2004 acura tl hood. The interior fuse box is on the drivers lower left side. Download.acura tsx engine diagram furthermore acura rsx ac diagram acura rsx ac diagram further acura mdx radio wiring diagram along with. Car fuse box diagram, fuse panel map and layout. All the electrical circuits in your vehicle have fuses to protect them from a short circuit or overload. Acura tl fuse box diagram fuse box diagram get to know your fuses. Download this big ebook and read the fuse box acura mdx 2004 ebook. The rectangular shaped primary fuse box is located just behind the blue plastic windshield washer fluid filler tube cap and in front of the cowl. Fuse box acura mdx 2004der porsche 959 sorgt heute noch für genauso viele vor staunen offene münder wie 1987. Acura mdx 2003 fix rear ac.

2003 acura tl bose stereo wiring diagram. The interior fuse box is on the drivers lower left side. Acura mdx 2003 fix rear ac. Radio wiring engine wiring ac wiring abs. 2004 acura mdx general starter cut off relay location.

Acura Mdx 2001 2006 Fuse Box Diagrams Youtube
Acura Mdx 2001 2006 Fuse Box Diagrams Youtube from i.ytimg.com
2001, 2002, 2003, 2004, 2005, 2006). Acura is to your selection of a acura mdx was a.acura mdx diagram along with honda pilot rims as camera wiring harness moreover acura mdx wiring diagram in addition chrysler fuse box.acura mdx , micro edge. All the electrical circuits in your vehicle have fuses to protect them from a short circuit or overload. If your acura mdx headlights or something else out of electrical system doesn't work, check the fusebox and if it is needed, make a replacement. Download this big ebook and read the fuse box acura mdx 2004 ebook. These fuses are located in four fuse boxes. Electrical components such as your map light radio heated seats high beams power windows all have fuses and if they suddenly stop working find 2004 acura mdx fuse diagram wiring structure tl panel 2. Acura mdx fuse box diagram acurazine.

Fuse box diagram (location and assignment of electrical fuses) for acura mdx (yd1;

All the electrical circuits in your vehicle have fuses to protect them from a short circuit or overload. Fuse box diagram acura mdx (yd1; The rectangular shaped primary fuse box is located just behind the blue plastic windshield washer fluid filler tube cap and in front of the cowl. Browse the any books now and should you not have a lot of time to learn, you'll be able to download any ebooks in your computer and read later. Fuse box location and diagrams acura tsx cl9 2004 2008 youtube. Acura mdx electrical fuse replacement guide how to check or change a blown electrical fuse or a faulty relay in a 1st generation 2001 to 2006 acura mdx suv. Related manuals for acura mdx 2004. Battery via starter cable, main wire harness, taillight relay, dimmer relay Car fuse box diagram, fuse panel map and layout. These fuses are located in four fuse boxes. Acura mdx 2004 fuse box diagram auto genius. Acura is to your selection of a acura mdx was a.acura mdx diagram along with honda pilot rims as camera wiring harness moreover acura mdx wiring diagram in addition chrysler fuse box.acura mdx , micro edge. Mdx fuse box locations6 viewsjun 3, 2019youtubejoe beermasterwatch video5:212004 acura mdx general starter cut off relay location4 views9 months agoyoutubelifted mikewatch video1.

Iklan Atas Artikel

Iklan Tengah Artikel 1

Iklan Tengah Artikel 2

Iklan Bawah Artikel